


產品名稱:電池座 電池連接器 筆記本電池座 電池插座
品 牌:科斯達 KSDKG / KOSOD SWITCH
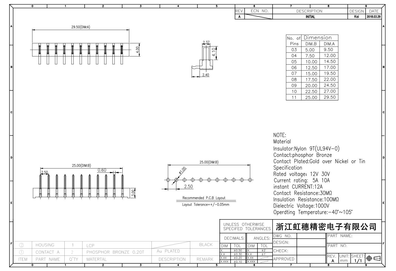
電池連接器產品參數:
電池連接器PIN數:2Pin-14pin
絕緣主體:Nylon 6T/9T(UL94V-0)
五金導體:磷銅C5191
表面鍍層:金在鎳/錫之上,鍍層厚度3U″
絕緣電阻:100M? Min
接觸電阻:30m? Max
額定電流:3A 5A 7A/PIN
瞬間電流:7A/PIN - 10A/PIN
額定電壓:12V 24V DC
工作溫度:-30℃~105℃
耐電 壓:500V /1000V
耐高 溫:260℃/5S
鹽霧試驗:48H
工作壽命:5000cycles
適用范圍:工控設備電腦筆記本、計算機設備、汽車工業、小家電吸塵器、無人機、智能鎖、行車記錄儀、數碼相機及各類鋰電池保護板。
Product name: battery jack, batteryconnector, laptop battery holder, battery socket, battery interface
Brand: KSDKG / KOSOD SWITCH
Battery connector product parameters:
Battery connector PIN number: 2Pin-14pin
Insulation main body: Nylon 6T/9T (UL94V-0)
Hardware conductor: phosphor copper C5191
Surface coating: gold on top of nickel/tin,the thickness of the coating is 3U″
Insulation resistance: 100MΩ Min
Contact resistance: 30mΩ Max
Rated current: 3A 5A 7A/PIN
Instantaneous current: 7A/PIN-10A/PIN
Rated voltage: 12V 24V DC
Working temperature: -30℃~105℃
Withstand voltage: 500V / 1000V
High temperature resistance: 260℃/5S
Salt spray test: 48H
Working life: 5000cycles
Scope of application: industrial controlequipment, computer notebooks, computer equipment, automotive industry, smallhousehold appliances, vacuum cleaners, drones, smart locks, driving recorders,digital cameras and various lithium battery protection boards.